Схема охлаждения двигателя 1g fe beams. Регулировка зазора клапанов 1g-fe. Мануал 1g fe. Двигатель тойота 1g ge характеристики. Книга марк-2 двс 1g fe.
Схема сборки двигателя 1g fe beams. 1g fe beams схема двигателя. Toyota двигатели 1g-fe 1g-e 1g-ge 1g-gte 1g-gze 7m-ge 7m-gte. Схема двигателя 1g-fe. Двигатель 3l дизель тойота мануал.
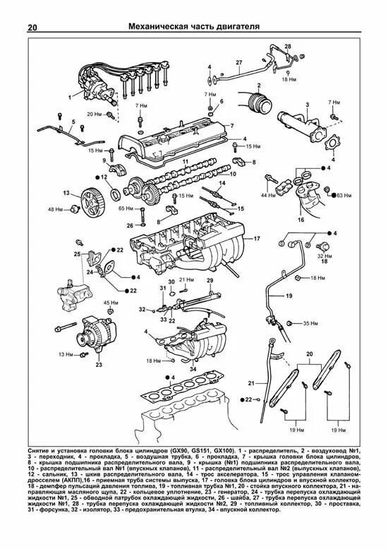
Схема охлаждения двигателя 1g fe beams. Мануал 1g fe. Марк 2 1g fe схема мотора. Двигатель тойота 1g ge характеристики. Двигатель 1g fe схема смазки.
1g fe beams схема двигателя. Мануал 1g fe. Мануал 1g fe. 1g fe beams схема двигателя. 1g fe beams книга по ремонту.
Мануал 1g fe. Двс 1g fe схема. Момент затяжки шатунных болтов 1 g fe. Мануал для двигателя 1g-fe beams. Тойота марк 1 двигатель.
Схема двигателя 1g-fe. Двигатель 1g fe beams описание. 1g fe beams книга по ремонту. Мануал 1g fe. Протяжка головки блока цилиндров 1g fe beams.
Марк 2 двигатель 1g. Мануал 1g fe. Момент затяжки гбц 1g fe beams. Мануал 1g fe. Мануал 1g fe.
Мануал 1g fe. Мануал 1g fe. Регулировка клапанов 1g fe beams. 1g fe beams схема двигателя. Мануал 1g fe.
1g fe beams схема двигателя. Мануал для двигателя 1g-fe beams. 1g fe beams допуск масла. Мануал 1g fe. Момент затяжки гбц 1g fe бимс.
Мануал для двигателя 1g-fe beams. Двс 1g fe схема. 1g fe beams схема двигателя. Схема датчиков 1g fe. Двигатель 1g fe схема смазки.
Двигатель 1g fe beams схема двигателя. 1g fe beams схема двигателя. Мануал 1g fe. Мануал 1g fe. 1g fe beams схема двигателя.
Мануал 1g fe. Двигатель 1g зазоры клапанов. Мануал 1g fe. Двигатель 1g fe beams чертеж. Система смазки двигателя 1g fe.
Система смазки двигателя 3s gte. Книга по ремонту двигателя 1g fe. Мануал 1g fe. Схема двигателя 1g-fe. Схема блок цилиндров 1g fe.
Мануал 1g fe. Схема двигателя 2jz. Масляная система двигателя 1gfe beams. Схема двигателя тойота марк 2 блит. Двигатель 1 g схема.
Toyota двигатели 1g-fe 1g-e 1g-ge 1g-gte 1g-gze 7m-ge 7m-gte книга. 1g fe beams схема двигателя. Книга 1g fe beams. Момент затяжки гбц двигателя 1g fe. Схема мотора 1g fe.
Гбц мотора 1g-fe схема. Двигатель 1g fe схема смазки. 1g fe beams момент протяжки гбц. Схема мотора 1g fe. Схема двигателя тойота 2l.
Мануал 1g fe. Момент затяжки шатунных болтов 1 g fe. Зазор клапанов тойота 2с дизель зазор клапанов. 1g fe beams схема двигателя. Момент затяжки шатунов 1g fe beams.
Мануал 1g fe beams. Электросхема двигателя 1g-fe. 1g fe beams схема двигателя. Двигатель toyota 1g fe система охлаждения. Допуски масел двигателя 1g-fe beams на тойота.
Мануал toyota crown 2jzgte3040ls. Beams 1jz мануал. Система смазки двигателя 3s gte. Мануал 1g fe. Двигатель 1g fe beams описание.
Мануал 1g fe. 1g fe beams схема двигателя. 1g fe beams схема двигателя. Двигатель 1g fe схема смазки. Двигатель 1 g схема.