0 3 кн м

Построение эпюры изгибающих моментов балки. Насколько удлинится рыболовная леска жесткостью 0. Q 10 кн/м, m 10кнм, 2 м консольная балка. F1=14кн/м q=5кн/м м=30кн*м. Кн/м.
Построение эпюры изгибающих моментов балки. Насколько удлинится рыболовная леска жесткостью 0. Q 10 кн/м, m 10кнм, 2 м консольная балка. F1=14кн/м q=5кн/м м=30кн*м. Кн/м.
Пружина жесткостью 1 кн/м была сжата на 4 см. Реакции опор теоретическая механика. 0 3 кн м. Q 20 кн/м,f 15 кн m 10кн м. F1 = 2кн f2= 5кн.
Пружина жесткостью 1 кн/м была сжата на 4 см. Реакции опор теоретическая механика. 0 3 кн м. Q 20 кн/м,f 15 кн m 10кн м. F1 = 2кн f2= 5кн.
Опорные реакции балки. 0 3 кн м. 5. Кн-2. Теоретическая механика балки реакции опор.
Опорные реакции балки. 0 3 кн м. 5. Кн-2. Теоретическая механика балки реакции опор.
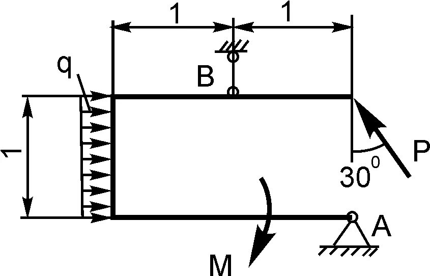
Найти реакции связей наложенных на конструкцию. Определить реакции заделки. 0 3 кн м. Насколько удлинится рыболовная леска жесткостью 0. Виды простейших систем теоретическая механика.
Найти реакции связей наложенных на конструкцию. Определить реакции заделки. 0 3 кн м. Насколько удлинится рыболовная леска жесткостью 0. Виды простейших систем теоретическая механика.
F1= 5кн m=20 кн • м f2=10 кн. Две пружины скреплены последовательно. F1=10кн f2=5кн q= 15 кн/м b=5м. Дано f=10 кн q=2 кн/м. Двухопорная балка f1=40.
F1= 5кн m=20 кн • м f2=10 кн. Две пружины скреплены последовательно. F1=10кн f2=5кн q= 15 кн/м b=5м. Дано f=10 кн q=2 кн/м. Двухопорная балка f1=40.
Две пружины жесткостью 0. F = 10 кн q =15 кн/м м =20 кн м 5кн 5 м 2 m 2 м. Распределенная нагрузка теор мех. Сопромат задачи с решением. Две пружины жесткостью 0.
Две пружины жесткостью 0. F = 10 кн q =15 кн/м м =20 кн м 5кн 5 м 2 m 2 м. Распределенная нагрузка теор мех. Сопромат задачи с решением. Две пружины жесткостью 0.
0 3 кн м. F1=10кн f2=5кн q= 15 кн/м b=5м. 0 3 кн м. 0 3 кн м. 0 3 кн м.
0 3 кн м. F1=10кн f2=5кн q= 15 кн/м b=5м. 0 3 кн м. 0 3 кн м. 0 3 кн м.
0 3 кн м. Построение эпюр изгибающих моментов. 5 кн/м;. Насколько удлиняется рыболовная. P=8кн p2=10кн m=4кн м q=1,5 кн/м.
0 3 кн м. Построение эпюр изгибающих моментов. 5 кн/м;. Насколько удлиняется рыболовная. P=8кн p2=10кн m=4кн м q=1,5 кн/м.
Расчетные схемы двухопорных балок. Построить эпюры поперечной силы q и изгибающего момента м. P1 = 10 кн p2=20 кн м=6 кн*м q=2кн/м za=? ya=? r=?. На сколько удлинится. F=10кн q=2кн/м м=6кн*м.
Расчетные схемы двухопорных балок. Построить эпюры поперечной силы q и изгибающего момента м. P1 = 10 кн p2=20 кн м=6 кн*м q=2кн/м za=? ya=? r=?. На сколько удлинится. F=10кн q=2кн/м м=6кн*м.
Двухопорная балка f 20 q 8кн м. Виды связей и их реакции теоретическая механика. Растянулась рыболовная леска. Определить реакции опор. Расчетная схема защемленной балки.
Двухопорная балка f 20 q 8кн м. Виды связей и их реакции теоретическая механика. Растянулась рыболовная леска. Определить реакции опор. Расчетная схема защемленной балки.
M 20 кн м q 30 кн/м f 25 кн. F1 = 2кн f2= 5кн. 5 и 1 скреплены параллельно. Q 10 кн/м, m 10кнм, 2 м консольная балка. Определить реакции опор двухопорной балки.
M 20 кн м q 30 кн/м f 25 кн. F1 = 2кн f2= 5кн. 5 и 1 скреплены параллельно. Q 10 кн/м, m 10кнм, 2 м консольная балка. Определить реакции опор двухопорной балки.
M=20 кн -м q=30 кн/м f=25 кн a = 0,5 м. Вариант 1 техническая механика сетков. 5м b 2м d 1м тех мех. Реакция опоры теоретическая механика. 0 3 кн м.
M=20 кн -м q=30 кн/м f=25 кн a = 0,5 м. Вариант 1 техническая механика сетков. 5м b 2м d 1м тех мех. Реакция опоры теоретическая механика. 0 3 кн м.
Консоль заделанная с равномерно распределенной нагрузкой. F=50кн m=10кнм q=20кн/м. Жесткость лески формула. Определить реакции консольной балки ab. F1=900кн f2=30кн 02 зм балка.
Консоль заделанная с равномерно распределенной нагрузкой. F=50кн m=10кнм q=20кн/м. Жесткость лески формула. Определить реакции консольной балки ab. F1=900кн f2=30кн 02 зм балка.
0,5кн\м это. М 15 кн м f 20 кн q 25кн м а 1. M=10 f 10 кн q=6 кн/м. Связи и их реакции теоретическая механика. Р = 10 кн; м = 6 кнм; q = 0.
0,5кн\м это. М 15 кн м f 20 кн q 25кн м а 1. M=10 f 10 кн q=6 кн/м. Связи и их реакции теоретическая механика. Р = 10 кн; м = 6 кнм; q = 0.
0 3 кн м. Q =12 кн/м m =24 кнм 4 м 2 м 1,5 м. 0 3 кн м. Пружина жёсткостью k 10 4 н/м. 0,5кн\м это.
0 3 кн м. Q =12 кн/м m =24 кнм 4 м 2 м 1,5 м. 0 3 кн м. Пружина жёсткостью k 10 4 н/м. 0,5кн\м это.
На сколько удлинится рыболовная леска жесткостью. 5. M 10 f1 10 f2 12 балка с шарнирными опорами. Вариант 1 техническая механика сетков вариант 25. 5 кн/м и 1 кн/м скреплены параллельно.
На сколько удлинится рыболовная леска жесткостью. 5. M 10 f1 10 f2 12 балка с шарнирными опорами. Вариант 1 техническая механика сетков вариант 25. 5 кн/м и 1 кн/м скреплены параллельно.
Определить реакции опор. 0 3 кн м. 0 3 кн м. 5 кн м. 0 3 кн м.
Определить реакции опор. 0 3 кн м. 0 3 кн м. 5 кн м. 0 3 кн м.
F=20кн q =25 кн/м m= 15 кнм a=1м b=4мс=1. 0 3 кн м. 0 3 кн м. Построение эпюр поперечных сил и изгибающих моментов. Определить реакции опор f1 5.
F=20кн q =25 кн/м m= 15 кнм a=1м b=4мс=1. 0 3 кн м. 0 3 кн м. Построение эпюр поперечных сил и изгибающих моментов. Определить реакции опор f1 5.
Две пружины жесткостями 3 кн/м и 6 кн/м. Силы реакции опоры балок м 12 кн м q 3кн/м. Q=12 кн/м f2 =32xн. Определить реакцию f=5кн. Определение опорных реакций примеры.
Две пружины жесткостями 3 кн/м и 6 кн/м. Силы реакции опоры балок м 12 кн м q 3кн/м. Q=12 кн/м f2 =32xн. Определить реакцию f=5кн. Определение опорных реакций примеры.
0 3 кн м. Две пружины жесткостью 3кн/м. 0 3 кн м. М=25кн•м q=30кн/м f=20кн a=1м b4м c=0,5м. F1=30 кн f2=90кн.
0 3 кн м. Две пружины жесткостью 3кн/м. 0 3 кн м. М=25кн•м q=30кн/м f=20кн a=1м b4м c=0,5м. F1=30 кн f2=90кн.